製品紹介

-
工業用刃物は影で支える決して表には出ない重要な隠し味です。
あらゆる工業を支える重要な役割を担い、長年蓄積されたた技術と最新設備を導入し
絶え間ない研究と限りない想像力でお客様のニーズにフレキシブルに対応します。

■スリッターナイフ(上刃・下刃)
■丸ナイフ(両刃・片刃)


| 記号 | 外径 | 穴径 | 厚さ | シボリ | 刃角度 |
|---|---|---|---|---|---|
| D | d | t | |||
| CH+1 | 62 | 38 | 0.5 | 3°30' | 45° |
| CH-2 | 68 | 46 | 0.5 | 3°30' | 45° |
| CH-3 | 98 | 66 | 0.7 | 3°30' | 60° |
| CH-4 | 118 | 80 | 1.0 | 3°30' | 60° |
| CH-5 | 138 | 95 | 1.0 | 3°30' | 60° |

| 記号 | 外径 | 穴径 | 厚さ | 間隔 | 刃幅 | 刃溝 | 溝深さ | 刃角度 | |
|---|---|---|---|---|---|---|---|---|---|
| D | d | t1 | t2 | t3 | t4 | t5 | t6 | ||
| CH-S-1 | 50 | 35 | 5 | 1.5 | 1.5 | 3.0 | 3 | 2.5 | 5° |
| CH-S-2 | 60 | 40 | 5 | 1.5 | 1.5 | 5.5 | 3 | 2.5 | 5° |
| CH-S-3 | 80 | 55 | 5 | 2.0 | 2.0 | 6.5 | 4 | 2.5 | 5° |
| CH-S-4 | 92 | 65 | 10 | 2.5 | 2.0 | 6.5 | 5 | 5.0 | 5° |
| CH-S-5 | 108 | 80 | 15 | 2.0 | 2.0 | 7.0 | 5 | 6.0 | 5° |


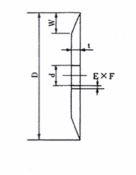
| 記号 | 外径 | 厚さ | 穴径 | 刃幅 | キー溝 |
|---|---|---|---|---|---|
| D | t | d | W | E×F | |
| C-1 | 50 | 1.2 | 12.70 | 5.0 | - |
| C-2 | 75 | 1.2 | 15.80 | 9.0 | - |
| C-3 | 80 | 1.0 | 19.05 | 12.0 | - |
| C-4 | 100 | 1.0 | 19.00 | 12.0 | 5×3 |
| C-5 | 100 | 1.5 | 25.40 | 15.0 | 5×3 |
| C-6 | 135 | 1.0 | 25.40 | 15.0 | 5×3 |
| C-7 | 150 | 1.2 | 25.40 | 15.0 | 5×3 |
| C-8 | 180 | 1.8 | 25.40 | 18.0 | 5×3 |
| c-9 | 200 | 1.8 | 38.10 | 20.0 | 7×4 |
| c-10 | 250 | 1.8 | 38.10 | 22.0 | 8×5 |
| 記号 | 外径 | 厚さ | 穴径 |
|---|---|---|---|
| D | t | d | |
| D-1 | 50 | 1.0 | 12.00 |
| D-2 | 60 | 0.5 | 14.00 |
| D-3 | 105 | 0.4 | 19.05 |
| D-4 | 105 | 0.4 | 25.00 |
※キー溝 D-1 なし
D-2 5×2
D-3 3.5×3
D-4 3.5×3
※標準規格品以外も
制作承ります。

このページのトップへ
Copyright (C) chubukikaihamono All Rights Reserved.